The rate of change of flux has which of the following units:
A) farads
B) joules
C) volts
D) m/s
E) webers
C

For the solenoids shown in the diagram (which are assumed to be close
to each other), the resistance of the left-hand circuit is slowly
increased. In which direction does the ammeter needle (indicating the
direction of conventional current) in the right-hand circuit deflect
in response to this change?
A) The needle deflects to the
left.
B) The needle deflects to the right.
C) The needle
oscillates back and forth.
D) The needle rotates in
counterclockwise circles.
E) The needle never moves.
A

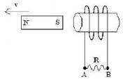
A strong bar magnet is held very close to the opening of a solenoid as shown in the diagram. As the magnet is moved away from the solenoid at constant speed, what is the direction of conventional current through the resistor shown and what is the direction of the force on the magnet because of the induced current?
Current through Resistor Force on Magnet
A) From A to B To the left
B) From B to A To the
left
C) From A to B To the right
D) From B to A To the
right
E) No current To the right
A
A magnet is dropped through a vertical copper pipe slightly larger
than the magnet. Relative to the speed it would fall in air, the
magnet in the pipe falls.
A) more slowly because it is attracted
by the innate magnetic field of the pipe
B) more slowly because
the currents induced in the pipe produce an opposing magnetic
field
C) at the same rate
D) more quickly because it is
attracted by the innate magnetic field of the pipe
E) more
quickly because the currents induced in the pipe produce an opposing
magnetic field
C
A 0.20 m long copper rod has constant velocity 0.30 m/s traveling
through a uniform magnetic field of 0.060 T.The rod, velocity, and
magnetic field are all mutually perpendicular. What is the potential
difference induced across the rod’s length?
A) 0.0036 V
B)
0.040 V
C) 0.090 V
D) 1.0 V
E) 25 V
B
When a wire moving through a magnetic field has a voltage induced
between the wire’s ends, that voltage is
I. directly
proportional to the strength of the magnetic field
II. directly
proportional to the velocity of the wire
III. directly
proportional to the diameter of the wire
A) I only B) II only C)
III only D) I and II only E) II and III only
A
Lenz’s law concerning the direction of an induced current in a
conductor by a magnetic field could be are statement of
A)
Ampere’s law B) Ohm’s Law C) Tesla’s Law D) The Law of Conservation of
Energy E) none of these
D

A square loop is placed in a uniform magnetic field perpendicular to
the plane of the loop as shown. The loop is 0.50 meters on a side and
the magnetic field B has a
strength of 2 T. If the loop is
rotated through an angle of 90° in 0.1 second what
would be the
average induced EMF in the loop?
A) 0.025 C
B) 0.40 V
C) 5 V
D) 10 V
E) 80 V
D

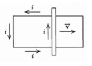
The figure shows a bar moving to the right on two conducting rails.
To make an induced current i in the direction indicated, in what
direction would the magnetic field be in the area contained within
the conducting rails?
A) out of the page D) to the
left
B) into the page E) It is impossible
C) to the right
C

There is a counterclockwise current I in a circular loop of wire
situated in an external magnetic field directed out of the page as
shown. The effect of the forces that act on this current is to make
the loop
(A) expand in size
(B) contract in size
(C)
rotate about an axis perpendicular to the page
(D) rotate about
an axis in the plane of the page
(E) accelerate into the page
B

The figure shows a rectangular loop of wire of width l and resistance
R. One end of the loop is in a uniform magnetic field of strength B at
right angles to the plane of the loop. The loop is pulled to the right
at a constant speed v. What are the magnitude and direction of the
induced current in the loop?
Magnitude
Direction
(A) BlvR Clockwise
(B) BlvR
Counterclockwise
(C) Blv/R Clockwise
(D) Blv/R
Counterclockwise
(E) 0 Undefined
A

In each of the following situations, a bar magnet is aligned along the axis of a conducting loop. The magnet and the loop move with the indicated velocities. In which situation will the bar magnet NOT induce a current in the conducting loop?
C
A square loop of copper wire is initially placed perpendicular to the
lines of a constant magnetic field of 5 x 10-3 tesla. The area
enclosed by the loop is 0.2 square meter. The loop is then turned
through an angle of 90° so that the plane of the loop is parallel to
the field lines. The turn takes 0.1 second. The average emf
induced in the loop during the turn is
(A) 1.0 x 10-4 V (B)
2.5 x 10-3 V (C) 0.01 V (D) 100 V (E) 400 V
E

Two circular coils are situated perpendicular to the z-axis as shown.
There is a current in the primary coil. All of the following
procedures will induce a current in the secondary coil EXCEPT
(A)
rotating the secondary coil about the z-axis
(B) rotating the
secondary coil about a diameter
(C) moving the secondary coil
closer to the primary coil
(D) varying the current in the
primary coil
(E) decreasing the cross-sectional area of the
secondary coil
C

A magnetic field B that is decreasing with time is directed out of
the page and passes through a loop of wire in the plane of the page,
as shown. Which of the following is true of the induced current in the
wire loop?
(A) It is counterclockwise in direction.
(B) It
is clockwise in direction.
(C) It is directed into the
page.
(D) It is directed out of the page.
(E) It is zero in magnitude.
A

A wire of constant length is moving in a constant magnetic field, as shown. The wire and the velocity vector are perpendicular to each other and are both perpendicular to the field. Which of the following graphs best represents the potential difference E between the ends of the wire as a function of velocity?
A

A square loop of wire of resistance R and side a is oriented with its plane perpendicular to a magnetic field B, as shown. What must be the rate of change of the magnetic field in order to produce a current I in the loop?(A) IR/a2 (B) Ia2 /R (C) Ia/R (D) Ra/I (E) IRa
A

A rectangular wire loop is at rest in a uniform magnetic field B of
magnitude 2 T that is directed out of the page. The loop measures 5 cm
by 8 cm, and the plane of the loop is perpendicular to the field, as
shown. The total magnetic flux through the loop is
(A) zero
(B) 2 x 10-3 T-m2
(C) 8 x 10-3 T-m2
(D) 2 x 10-1 T-m2
(E) 8 x 10-1 T-m
A

A single circular loop of wire in the plane of the page is
perpendicular to a uniform magnetic field B directed out of the page,
as shown. If the magnitude of the magnetic field is decreasing, then
the induced current in the wire is
(A) directed out of the
paper
(B) directed into the paper
(C) clockwise around the
loop
(D) counterclockwise around the loop
(E) zero (no
current is induced)
C

A uniform magnetic field B that is perpendicular to the plane of the page now passes through the loops, as shown. The field is confined to a region of radius a, where a < b, and is changing at a constant rate. The induced emf in the wire loop of radius b is ε. What is the induced emf in the wire loop of radius 2b ?(A) Zero (B)ε/2 (C)ε (D) 2ε (E) 4ε
D

Two conducting wire loops move near a very long, straight conducting
wire that carries a current I. When the loops are in the positions
shown, they are moving in the direction shown with the same constant
speed v. Assume that the loops are far enough apart that they do not
affect each other. Which of the following is true about the induced
electric currents, if any, in the loops?
Loop 1 | Loop
2
(A) No Current | No Current
(B) No
Current | Counterclockwise Direction
(C) Clockwise Direction | No
Current
(D) Clockwise Direction | Clockwise Direction
(E)
Counterclockwise Direction | Clockwise Direction
C

A wire loop is rotated in a uniform magnetic field about an axis perpendicular to the field, as shown. How many times is the induced current in the loop reversed if the loop makes 3 complete revolutions from the position shown?(A) One (B) Two C) Three (D) Six (E) Twelve
C

The ends of a metal bar rest on two horizontal north-south rails as shown. The bar may slide without friction freely with its length horizontal and lying east and west as shown. There is a magnetic field parallel to the rails and directed north.
If the bar is pushed northward on the rails, the electromotive
force induced in the bar as a result of the magnetic field
will
(A) be directed upward
(B) be zero
(C) produce a
westward current
(D) produce an eastward current
(E) stop
the motion of the bar
D

The ends of a metal bar rest on two horizontal north-south rails as shown. The bar may slide without friction freely with its length horizontal and lying east and west as shown. There is a magnetic field parallel to the rails and directed north.
A battery is connected between the rails and causes the electrons in the bar to drift to the east. The resulting magnetic force on the bar is directed (A) north (B) south (C) east (D) west (E) vertically
B

A loop of wire is pulled with constant velocity v to the right
through a region of space where there is a uniform magnetic field B
directed into the page, as shown. The induced current is as follows
A) Directed CW both entering and leaving REGION II.
B)
Directed CCW both entering and leaving REGION II.
C) Directed CW
entering REGION II and CCW leaving REGION II.
D) Directed CCW
entering REGION II and CW leaving REGION II.
E) zero at all times
D

A square loop of wire of side 0.5 meter and resistance
10-2 ohm is located in a uniform magnetic field of
intensity 0.4 tesla directed out of the page as shown. The magnitude
of the field is decreased to zero at a constant rate in 2 seconds. As
the field is decreased, what are the magnitude and direction of the
current in the loop?
(A) Zero
(B) 5 A,
counterclockwise
(C) 5 A, clockwise
(D) 20 A,
counterclockwise
(E) 20 A, clockwise
B

After the switch S is closed, the initial current through resistor
R2 is:
(A) from point X to point Y
(B) from
point Y to point X
(C) zero at all times (D) oscillating between
X and Y
(E) impossible to determine its direction
A

After the switch S has been closed for a very long time, the currents
in the two circuits are
(A) zero in both circuits
(B) zero
in circuit 1 and V/R2 in circuit 2
(C) V/R in circuit
1 and zero in circuit 2
(D) V/R1 in circuit 1 and
V/R2 in circuit 2
(E) oscillating with constant
amplitude in both circuits
C

In the figure, the north pole of the magnet is first moved down
toward the loop of wire, then withdrawn upward. As viewed from above,
the induced current in the loop is
A) always clockwise with
increasing magnitude
B) always clockwise with decreasing
magnitude
C) always counterclockwise with increasing
magnitude
D) always counterclockwise with decreasing
magnitude
E) first counterclockwise, then clockwise
E

A vertical length of copper wire moves to the right with a steady
velocity v in the direction of a constant horizontal magnetic field B
as shown. Which of the following describes the induced charges on the
ends of the wire?
Top End | Bottom End
(A) Positive |
Negative
(B) Negative | Positive
(C) Negative |
Zero
(D) Zero | Negative
(E) Zero | Zero
E

A conducting loop of wire that is initially around a magnet is pulled
away from the magnet to the right, as indicated in the figure,
inducing a current in the loop. What is the direction of the force on
the magnet and the direction of the magnetic field at the center of
the loop due to the induced current?
Direction of Force on
Magnet | Direction of Magnetic Field at Center of Loop due to
Induced Current
(A) To the right | To the
right
(B) To the right | To the left
(C) To the left | To
the right
(D) To the left | To the left
(E) No direction;
force is zero | To the left
A

A uniform magnetic field B is directed out of the page, as shown
above.A loop of wire of area 0.40 m2 is in the plane of the
page. At a certain instant the field has a magnitude of 3.0 T and is
decreasing at the rate of 0.50 T/s. The magnitude of the induced emf
in the wire loop at this instant is most nearly:
(A) 0.20 V (B)
0.60 V (C) 1.2 V (D) 1.5 V (E) 2.8 V
A
A large parallel-plate capacitor is being charged and the magnitude
of the electric field between the plates of the capacitor is
increasing at the rate dE/dt. Which of the following statements is
correct about the magnetic field in the region between the plates of
the charging capacitor
A) It is parallel to the electric
field.
B) Its magnitude is directly proportional to
dE/dt.
C) Its magnitude is inversely proportional to
dE/dt.
D) Nothing about the field can be determined unless the
charging current is known.
E) Nothing about the field can be
determined unless the instantaneous electric field is known.
B

What is the instantaneous current at point X immediately after the
switch is closed?
A) 0 B) ℰ/R C)ℰ/2R D)ℰ/RL E)ℰL/2R
A

When the switch has been closed for a long time what is the energy
stored in the inductor?
A) Lℰ/2R
B) Lℰ2/2R2
C) Lℰ2/4R2
D)
LR2/2ℰ2
E) ℰ2R2/4L
B

After the switch has been closed for a long time, it is opened at time t=0. Which of the following graphs best represents the subsequent current i at point X as a function of time t?
E

A wire loop of area A is placed in a time-varying but spatially
uniform magnetic field that is perpendicular to the plane of the loop,
as shown above. The induced emf in the loop is given by E = b
At1/2 , where b is a constant. The time varying magnetic
field could be given by:
(A) 1/2bAt- 1/2
(B) 1/2bt- 1/2
(C)
1/2bt1/2
(D) 2/3bAt3 /2
(E) 2/3bt3 /2
E
A circular current-carrying loop lies so that the plane of the loop
is perpendicular to a constant magnetic field of strength B. Suppose
that the radius R of the loop could be made to increase with time t so
that R = at, where a is a constant. What is the magnitude of the emf
that would be generated around the loop as a function of t ?(A)
2πBa2t
(B) 2πBat
(C) 2πBt
(D)
πBa2t
(E) (π/3)Ba2t3
A
One of Maxwell's equations can be written as ∮ E • ds = −dφ/dt. This
equation expresses the fact that:
(A) a changing magnetic field
produces an electric field
(B) a changing electric field produces
a magnetic field
(C) the net magnetic flux through a closed
surface depends on the current inside
(D) the net electric flux
through a closed surface depends on the charge inside
(E)
electric charge is conserved
A

What is the current in the circuit after the switch has been closed a long time?(A) 0 A (B) 1.2 A (C) 2 A (D) 3 A (E) 12 A
C

What is the potential difference across the resistor immediately after the switch is closed?(A) 0 V (B) 2 V (C) 7.2 V (D) 8 V (E) 12 V
A
Two long, parallel wires, fixed in space, carry currents I1 and I2. The force of attraction has magnitude F. What currents will give an attractive force of magnitude 4F?
(A) 2I1 and 1/2I2
(B) I1 and 1/4I2
(C) 1/2I1 and 1/2I2
(D) 2I1 and 2I2
(E) 4I1 and 4I2
(D)

A solid cylindrical conductor of radius R carries a current I uniformly distributed throughout its interior. Which of the following graphs best represents the magnetic field intensity as a function of r, the radial distance from the axis of the cylinder
(A)

The cross section above shows a long solenoid of length l and radius r consisting of N closely wound turns of wire. When the current in the wire is I, the magnetic field within this solenoid has magnitude Bo (A) B. A solenoid with the same number of turns N, length l, current I, but with radius 2r, would have a magnetic field with magnitude most nearly
(A) B0/4
(B) B0/2
(C) B0
(D) 2B0
(E) 4B0
(C)

Two very long parallel wires carry equal currents in the same direction into the page, as shown above. At point P, which is 10 centimeters from each wire, the magnetic field is
(A) zero
(B) directed into the page
(C) directed out of the page
(D) directed to the left
(E) directed to the right
(E)

A current I, uniformly distributed over the cross section of a long cylindrical conductor of radius a, is directed as shown above. Which of the following graphs best represents the intensity B of the magnetic field as a function of the distance r from the axis of the cylinder?
(E)

Relate to the two long parallel wires shown below. Initially the wires arc a distance d apart and each has a current i directed into the page. The force per unit length on each wire has magnitude F0.
The direction of the force on the right-hand wire due to the current in the left-hand wire is
(A) to the right
(B) to the left
(C) upward in the plane of the page
(D) downward in the plane of the page
(E) into the page
(E)

Relate to the two long parallel wires shown below. Initially the wires arc a distance d apart and each has a current i directed into the page. The force per unit length on each wire has magnitude F0.
The wires are moved apart to a separation 2d and the current in each wire is increased to 2i. The new force per unit length on each wire is:
(A) F0/4
(B) F0/2
(C) F0
(D) 2F0
(E) 4F0
(D)

The two rings each carry a current I, but in opposite directions. At point P, the center of the ring on the left the magnetic field due to these currents is
(A) zero
(B) in the plane perpendicular to the x-axis
(C) directed in the positive x-direction
(D) directed in the negative x-direction
(E) none of the above
(C)

A cross section of a long solenoid that carries current I is shown above. All of the following statements about the magnetic field B inside the solenoid are correct EXCEPT:
A) B is directed to the left.
B) An approximate value for the magnitude of B may be determined by using Ampere's law.
C) The magnitude of B is proportional to the current I.
D) The magnitude of B is proportional to the number of turns of wire per unit length.
E) The magnitude of B is proportional to the distance from the axis of the solenoid
(E)

Two long parallel wires are a distance 2a apart, as shown above. Point P is in the plane of the wires and a distance a from wire X. When there is a current I in wire X and no current in wire Y, the magnitude of the magnetic field at P is Bo. When there are equal currents I in the same direction in both wires, the magnitude of the magnetic field at P is
A) 2Bo/3
B) Bo
C) 10Bo/9
D) 4Bo/3
E) 2Bo
(D)
A narrow beam of protons produces a current of 1.6 x 10-3 A. There are 10^9 protons in each meter along the beam.
Of the following, which is the best estimate of the average speed of the protons in the beam?
(A) 10-15 m/s
(B) 10-12 m/s
(C) 10-7 m/s
(D) 10^7 m/s
(E) 10^12 m/s
(D)
A narrow beam of protons produces a current of 1.6 x 10-3 A. There are 10^9 protons in each meter along the beam.
Which of the following describes the lines of magnetic field in the vicinity of the beam due to the beam's current?
(A) Concentric circles around the beam
(B) Parallel to the beam
(C) Radial and toward the beam
(D) Radial and away from the beam
(E) There is no magnetic field
(A)

A rigid, rectangular wire loop ABCD carrying current I1 lies in the plane of the page above a very long wire carrying current I2:
(A) toward the wire
(B) away from the wire
(C) toward the left
(D) toward the right
(E) zero
(A)
In which of the following cases does there exist a nonzero magnetic field that can be conveniently determined by using Ampere's law?
(A) Outside a point charge that is at rest
(B) Inside a stationary cylinder carrying a uniformly distributed charge
(C) Inside a very long current-carrying solenoid
(D) At the center of a current-carrying loop of wire
(E) Outside a square current-carrying loop of wire
(C)
A wire of radius R has a current I uniformly distributed across its cross-sectional area. Ampere's law is used with a concentric circular path of radius r, with r < R, to calculate the magnitude of the magnetic field B at a distance r from the center of the wire. Which of the following equations results from a correct application of Ampere's law to this situation?
(A) B(2πr ) = μ0 I
(B) B(2πr ) = μ0 I(r 2 /R2 )
(C) B( 2πr) = 0
(D) B( 2π R) = μ0 I
(E) B( 2π R) = μ0 I(r 2 /R 2)
(B)
Two parallel wires, each carrying a current I, repel each other with a force F.
If both currents are doubled, the force of repulsion is
A) 2F
(B) 2√2 F
(C) 4F
(D) 4√2 F
(E) 8F
(C)

The currents in three parallel wires, X, Y, and Z, each have magnitude l and are in the directions shown above. Wire Y is closer to wire X than to wire Z. The magnetic force on wire Y is
(A) zero
(B) into the page
(C) out of the page
(D) toward the bottom of the page
(E) toward the left
(E)